Hľadaj Zobraz: Univerzity Kategórie Rozšírené vyhľadávanie

45 171
projektov

Meranie V-A charakteristiky rezistora - cvičenie

«»
Prípona
.doc
Typ
meranie
Stiahnuté
2 x
Veľkosť
0,1 MB
Jazyk
slovenský
ID projektu
45070
Posledná úprava
28.04.2014
Zobrazené
1 411 x
Autor:
peter.catlos
Facebook icon Zdieľaj na Facebooku
Detaily projektu
Popis:
Úloha:

Vykonajte meranie Volt- Ampérovej charakteristiky rezistora . Nameranú charakteristiku graficky znázornite.

Cieľ merania:

Praktické meranie napätia a prúdu číslicovým meracím prístrojom, overenie V-A charakteristiky rezistora.

Kľúčové slová:

fvt

prešov

tuke

košice

meranie

elektrotechnika

elektronika

protokol 1

V-A rezistor

rezistor



Obsah:
  • Uloha
    Ciel merania
    Teoreticky rozbor
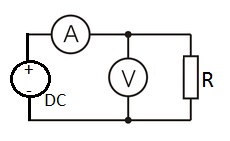
    Schema zapojenia
    Supis pouzitych pristrojov
    Dátum, miesto a podmienky merania:
    Postup pri meraní:
    Tabuľka nameraných hodnôt:
    Spracovanie nameraných hodnôt:
    Zhodnotenie merania:

Zdroje:
  • Google
  • Wikipedia
  • Stranka školy
O súboroch cookie na tejto stránke

Súbory cookie používame na funkčné účely, na zhromažďovanie a analýzu informácií o výkone a používaní stránky.

Nastavenia Povoliť všetko