Hľadaj Zobraz: Univerzity Kategórie Rozšírené vyhľadávanie

45 171
projektov

Syntéza sekvenčného obvodu (SO3)

«»
Prípona
.pdf
Typ
semestrálna práca
Stiahnuté
4 x
Veľkosť
1,1 MB
Jazyk
slovenský
ID projektu
37314
Posledná úprava
12.04.2011
Zobrazené
3 128 x
Autor:
aleister
Facebook icon Zdieľaj na Facebooku
Detaily projektu
Popis:
Zadanie z predmetu LS číslo SO3:

Urobte syntézu synchrónneho obvodu ako automatu typu Mealy, ktorého výstup nadobúda hodnotu 1 práve vtedy, ak na jeho vstupe bolo prijaté vstupné slovo zakončené koncovkou 0 0 1 1. Pri návrhu použite EA typu T a LČ typu NAND. 

2. RIEŠENIE ZADANIA
2.1 Sekvenčné logické obvody

Pred riešením samotnej úlohy je potrebné definovať a pochopiť pojem sekvenčných logických obvodov, ako aj poukázať na vlastnosti, ktoré ich odlišujú od kombinačných logických obvodov. Sekvenčné logické obvody sú digitálne elektronické obvody,, u ktorých závisí stav výstupov okrem aktuálneho stavu vstupov aj od minulého stavu vstupov[4]. Podľa sekvencie(poradia) príchodu vstupných stavov na vstup obvodu sa sekvenčné log. obvody označujú aj ako tzv. konečné automaty alebo sekvenčné automaty. V prípade kombinačných logických obvodov výstupné stavy sú jednoznačne určené stavom na vstupe.

Vnútorné stavy , ktoré musia byť aktivované vstupom, podobne ako aj výstupné stavy sekvenčných logických obvodov závisia od vstupných stavov. Nesmieme zabúdať na časovú veličinu, ktorá tu zohráva významnú úlohu*2].  

2.2 Abstrakcia sekvenčného logického obvodu 

Pri opise činnosti, resp. chovania sekvenčných log. obvodov sa používa tzv. konečný automat,
ktorý predstavuje určitú formu abstrakcie sekvenčného obvodu.
Najjednoduchšie možno definovať automat ako "niečo", čo pracuje algoritmicky(na základe určitého
algoritmu) a jeho základnými vlastnosťami sú determinizmus a konečnosť[2].
Rozlišujeme 2 základné typy konečných automatov a to Mealy a Moore.
...

Kľúčové slová:

sekvenčný obvod

Mealy

syntéza

regulárne udalosti

stavy

automat

vstupné členy

obvody

budiace funkcie

návrh obvodu



Obsah:
  • 1.ZNENIE ZADANIA …………………………………………………………………………….. 3
    2.RIEŠENIE ZADANIA ………………………………………………………………………… 4
    2.1 Sekvenčné logické obvody......………………………………………………………..... 4
    2.2 Abstrakcia sekvenčného logického obvodu ................................................................... 4
    2.2.1 Konečný automat typu Mealy ......................................................................... 4
    2.3 Abstraktná syntéza sekvenčných obvodov..................................................................... 6
    2.3.1 Analýza zadanej úlohy..................................................................................... 6
    2.3.2 Regulárne udalosti .......................................................................................... 6
    2.3.3 Derivácie regulárnych udalostí ...................................................................... 7
    2.3.4 Redukcia stavov konečného automatu .......................................................... 10
    2.3.5 Výsledky abstraktnej syntézy .......................................................................... 13
    2.4 Štruktúrna syntéza sekvenčných obvodov.................................................................... 14
    2.4.1 Elementárne automaty .................................................................................. 15
    2.4.2 Kódovanie stavov ......................................................................................... 16
    2.4.2.1 Kódovanie vstupných stavov ......................................................... 16
    2.4.2.2 Kódovanie vnútorných stavov ....................................................... 18
    2.4.2.3 Kódovanie výstupných stavov ....................................................... 19
    2.4.2.4 Kódovacie tabuľky stavov, prechodov a výstupov ........................ 20
    2.4.3 Určenie budiacich a výstupných funkcií obvodu .......................................... 22
    2.4.3.1 Určenie budiacich funkcií obvodu .................................................. 22
    2.4.3.2 Určenie výstupnej funkcie obvodu ................................................ 23
    3.REALIZÁCIA LOGICKÉHO OBVODU ............................................................................... 24
    3.1 Požiadavky na minimálny počet vstupných členov ...............................…………….… 24
    3.2 Návrh obvodu .............................................……………………..…………………....… 25
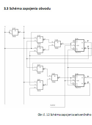
    3.3 Schéma zapojenia obvodu ………………………………….........……………….…….... 26
    LITERATÚRA ....................................................................................................................... 27

Zdroje:
O súboroch cookie na tejto stránke

Súbory cookie používame na funkčné účely, na zhromažďovanie a analýzu informácií o výkone a používaní stránky.

Nastavenia Povoliť všetko