Hľadaj Zobraz: Univerzity Kategórie Rozšírené vyhľadávanie

45 171
projektov

Meranie osciloskopom, Lissajousove obrazce

«»
Prípona
.doc
Typ
meranie
Stiahnuté
16 x
Veľkosť
0,2 MB
Jazyk
slovenský
ID projektu
67
Posledná úprava
07.05.2015
Zobrazené
7 821 x
Autor:
zadsemuser
Facebook icon Zdieľaj na Facebooku
Detaily projektu
Popis:
Zadanie merania:
Pomocou osciloskopu pozorujte tvar a priebeh napätia striedavého, dvojcestne usmerneného a vyhladeného pomocou RC filtra. Zistite, či veľkosť frekvencie zodpovedá Lissajousovým obrazcom zobrazeným na obrazovke osciloskopu.

Teoretický rozbor:
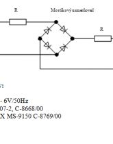
Princípom usmernenia a stabilizovania napätia na požadovanú hodnotu je prvotné transformovanie napätia na približne požadovanú veľkosť. Ďalším krokom je usmernenie tohoto napätia pomocou dvojcestného mostíkového usmernovača, ktorý pozostáva zo 4 zapojených diód. Takto usmernené napätie môžeme pomocou RC vyhladzovacieho článku vyhladiť a stabilizovať pomocou zenerovej diódy na nami požadovanú hodnotu.

Princípom merania frekvencie osciloskopom je porovnávanie meracej frekvencie so známou frekvenciou. Harmonické napätie známej frekvencie sa privedie na vstup horizontálneho zosilňovača osciloskopu a harmonické napätie neznámej frekvencie sa privedie na vstup vertikálneho zosilňovača osciloskopu. Na obrazovke osciloskopu vznikajú Lissajousove obrazce, z ktorých možno určiť frekvenciu neznámeho signálu a fázový posun medzi neznámym a porovnávacím signálom. Táto metóda je jednoduchá, pokiaľ sú frekvencie vstupujúce do osciloskopu v celočíselnom pomere. Pri nesplnení tejto požiadavky sa zobrazenie na obrazovke osciloskopu pohybuje a nemožno ho vyhodnotiť. Osciloskop pracuje s vypnutou časovou základňou v súradnicovom režime X - Y. Zmenou normálovej frekvencie fN je možné nastaviť stojaci, do seba uzatvorený Lissajousov obrazec. Pri vyhodnocovaní pomeru frekvencií fx (neznáma) a fN (normálová) je najskôr potrebné zistiť počet dotykových bodov px na dotyčnici vedenej k Lissajousovmu obrazcu v smere vychyľovania napätím neznámej frekvencie fx a počet dotykových bodov py na dotyčnici k obrazcu v smere vychyľovania napätím známej frekvencie fN. Na vyhodnotenie sa použije vzťah: px .fx = py. fN Ak je pri odčítaní výhodnejšie, za py a px je možné dosadiť namiesto počtu dotykových bodov počet priesečníkov na sečniciach vedených obrazcom. Ak ide sečnica priesečníkom Lissajousovho obrazca, je potrebné počítať v tomto bode s dvoma prechodmi.

Kľúčové slová:

Zadanie

Osciloskop

Napätie

Filter

Frekvencia

Rozbor

Hodnota

Veľkosť

Usmerňovač

Dióda

Zosilňovač

Pomer

Obrazec

Bod

Schéma

Prístroje

Meranie

Obvod

Zdroj



Obsah:
  • 1. Zadanie merania
    2. Teoretický rozbor
    3. Schéma zapojenia
    4. Súpis použitých prístojov
    5. Postup pri meraní
    6. Vyhodnotenie merania
    7. Záver merania
O súboroch cookie na tejto stránke

Súbory cookie používame na funkčné účely, na zhromažďovanie a analýzu informácií o výkone a používaní stránky.

Nastavenia Povoliť všetko