Hľadaj Zobraz: Univerzity Kategórie Rozšírené vyhľadávanie

45 171
projektov

Meranie korekčnej krivky ampérmetra

«»
Prípona
.docx
Typ
meranie
Stiahnuté
1 x
Veľkosť
0,1 MB
Jazyk
slovenský
ID projektu
38990
Posledná úprava
07.12.2011
Zobrazené
1 461 x
Autor:
lukky07
Facebook icon Zdieľaj na Facebooku
Detaily projektu
Popis:
NÁZOV: Meranie korekčnej krivky ampérmetra
CIEĽ MERANIA: Zmerať a vykresliť hodnoty korekčnej krivky ručičkového meracieho prístroja , ampérmetra.
TEORETICKY ROZBOR:
Pri každom meraní vznikajú chyby, a to:
- sústavné
- náhodné- tieto chyby nepoznáme, sú to chyby meracieho prístroja
- hrubé- chyby spôsobené pri meraní osobou, ktorá meranie vykonáva
...

Kľúčové slová:

korekčná krivka

ampérmeter

metrológia



Obsah:
  • Názov
    Cieľ merania
    Teoreticky rozbor
    Podmienky merania
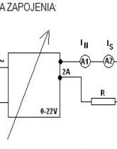
    Schéma zapojenia
    Popis merania
    Tabuľka nameranych hodnot
    Spracovanie nameraných výsledkov
    Záver
O súboroch cookie na tejto stránke

Súbory cookie používame na funkčné účely, na zhromažďovanie a analýzu informácií o výkone a používaní stránky.

Nastavenia Povoliť všetko