Hľadaj Zobraz: Univerzity Kategórie Rozšírené vyhľadávanie

45 171
projektov

Organizovanie školenia

«»
Prípona
.doc
Typ
analýza
Stiahnuté
7 x
Veľkosť
0,2 MB
Jazyk
slovenský
ID projektu
4573
Posledná úprava
17.09.2017
Zobrazené
1 522 x
Autor:
-
Facebook icon Zdieľaj na Facebooku
Detaily projektu
Popis:
Projekt - metóda CPM - organizovanie odborného školenia

Kľúčové slová:

činnosti

zaistenie

školenie

sieťový graf

tabuľka

projekt

odborné školenie



Obsah:
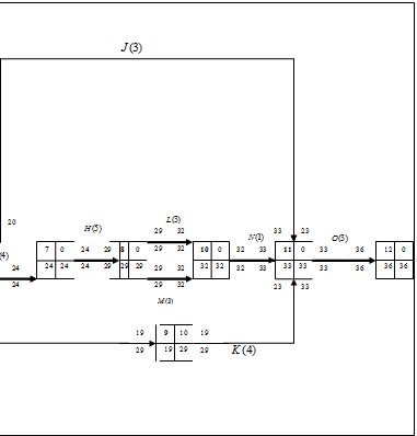
  • PROJEKT- METÓDA CPM.
    ORGANIZOVANIE ODBORNÉHO ŠKOLENIA.
    1) Tabuľka- údaje do projektu:
    2) Náčrt sieťového grafu:
    3) Zostrojenie sieťového grafu:
    4) Výpočet kritických ciest: V danom sieťovom grafe je kritických ciest viac, vypočítame ich pomocou nasledovnej tabuľky.
    5) Tabuľka metódy CPM:
O súboroch cookie na tejto stránke

Súbory cookie používame na funkčné účely, na zhromažďovanie a analýzu informácií o výkone a používaní stránky.

Nastavenia Povoliť všetko