Hľadaj Zobraz: Univerzity Kategórie Rozšírené vyhľadávanie

45 171
projektov

Výkres - Eurookno - Drevárske výrobky

«»
Prípona
.rar
Typ
technický výkres
Stiahnuté
11 x
Veľkosť
0,4 MB
Jazyk
slovenský
ID projektu
4212
Posledná úprava
07.09.2017
Zobrazené
5 460 x
Autor:
-
Facebook icon Zdieľaj na Facebooku
Detaily projektu
Popis:
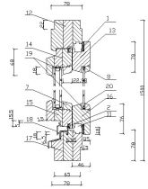
Výkres profilu eurookna s izolačným dvojsklom + jednosklo.
2 výkresy vo formáte .dwg

Obsah archívu:
VýkresLUKY1.dwg
VýkresLUKY2.dwg
VýkresLUKY2.bak
VýkresLUKY1.bak

Kľúčové slová:

eurookno

izolačné dvojsklo

AutoCAD

výkres

drevárske výrobky



Obsah:
  • Eurookno s izolačným dvojsklom
    Eurookno s izolačným jednosklom
O súboroch cookie na tejto stránke

Súbory cookie používame na funkčné účely, na zhromažďovanie a analýzu informácií o výkone a používaní stránky.

Nastavenia Povoliť všetko